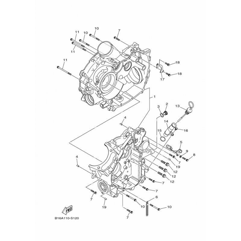
SCHEIBE
Artikelname: SCHEIBE
Hersteller: Yamaha
OEM Nummer: B16E51580000
Hersteller: Yamaha
OEM Nummer: B16E51580000




















