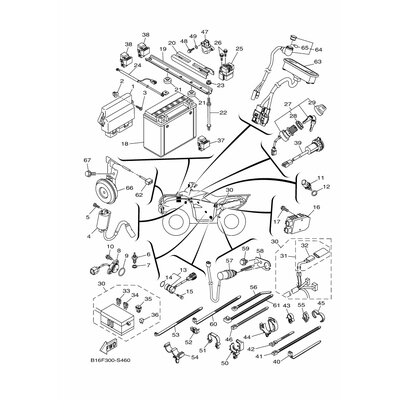
KONTROLLAMPE KOMPL.
Artikelname: KONTROLLAMPE KOMPL.
Hersteller: Yamaha
OEM Nummer: B16835300000
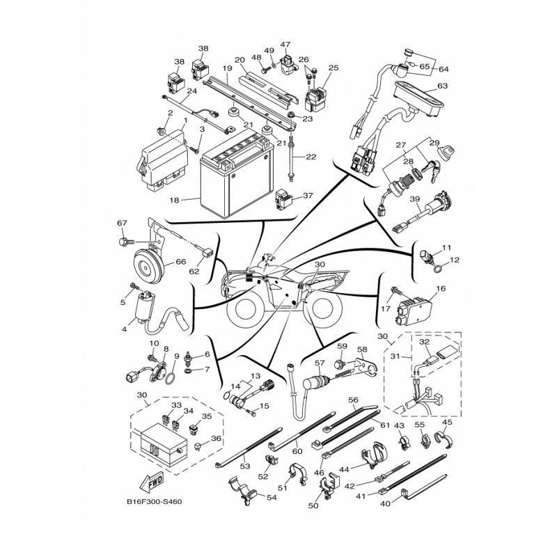
Hersteller: Yamaha
OEM Nummer: B16835300000




















