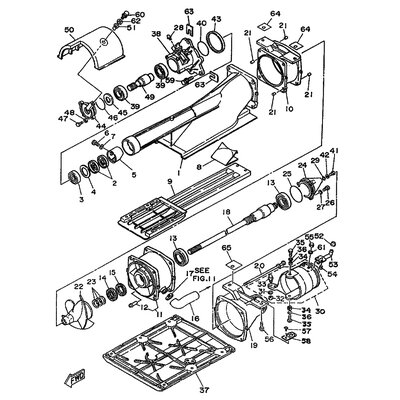
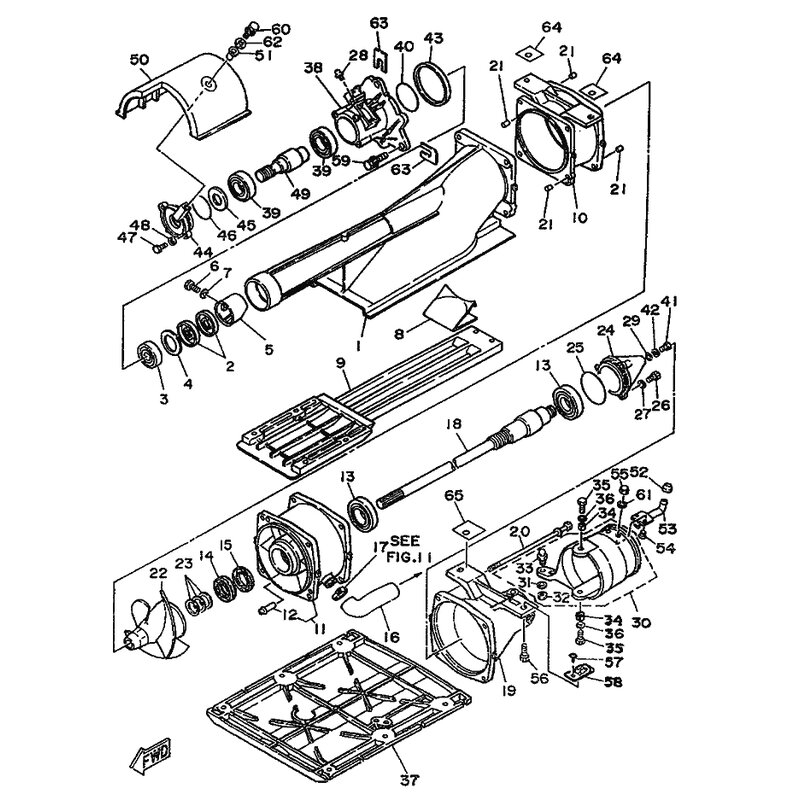
SHIM (T=1.5) (SMC)
Artikelname: SHIM (T=1.5) (SMC)
OEM: EU0-67354-40 [EU0673544000]
OEM: EU0-67354-40 [EU0673544000]




















