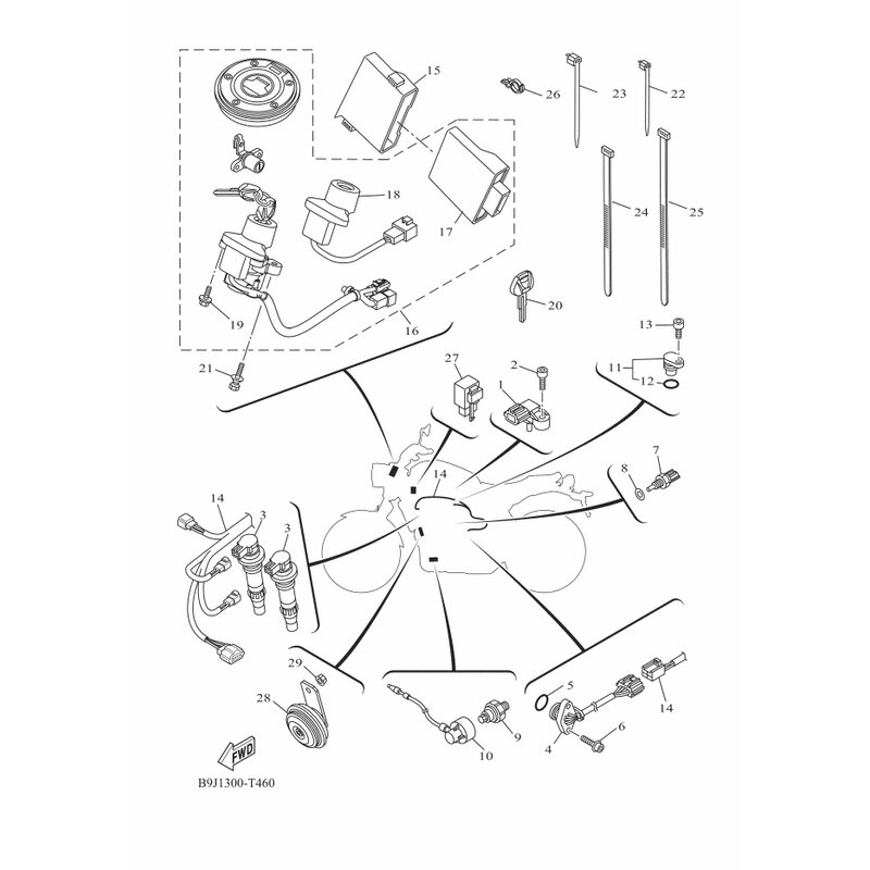
HAUPTSCHALTER WEGFAHRSPERRE
Artikelname: HAUPTSCHALTER WEGFAHRSPERRE
OEM: BJV-W8250-10 [BJVW82501000]
OEM: BJV-W8250-10 [BJVW82501000]






















