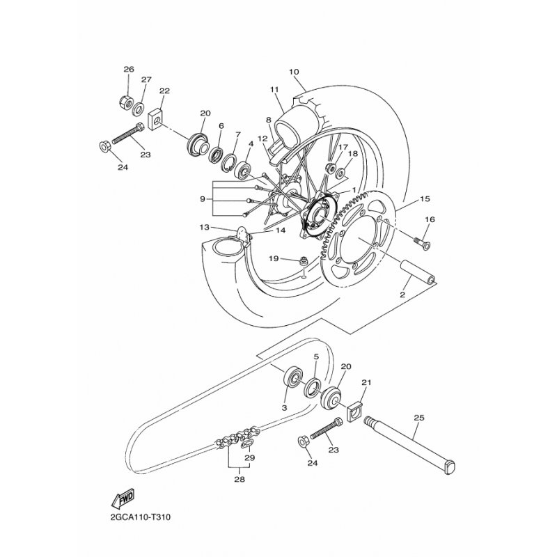
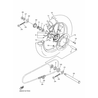
KETTE
Artikelname: KETTE
Hersteller: Yamaha
OEM Nummer: 9Y5825011300
Hersteller: Yamaha
OEM Nummer: 9Y5825011300






















