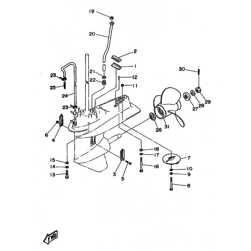
YBS51-535 SCREW,OVAL HEAD
Artikelname: YBS51-535 SCREW,OVAL HEAD
Hersteller: Yamaha
OEM Nummer: 986800553500
Dieser Artikel wurde durch folgenden ersetzt: 987800553500
Hersteller: Yamaha
OEM Nummer: 986800553500
Dieser Artikel wurde durch folgenden ersetzt: 987800553500






















