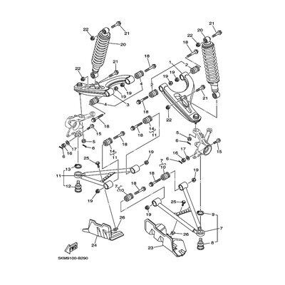
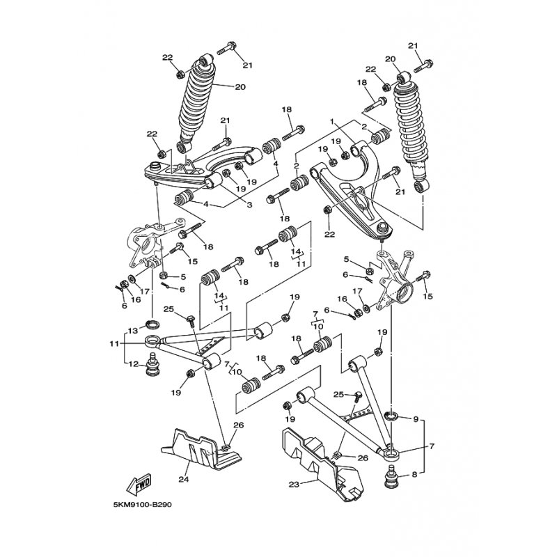
MUTTER
Artikelname: MUTTER
Hersteller: Yamaha
OEM Nummer: 953371060000
Hersteller: Yamaha
OEM Nummer: 953371060000






















