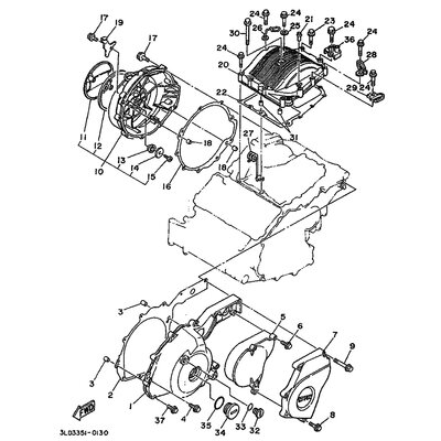
BOLT, FLANGE(1UF)
Artikelname: BOLT, FLANGE(1UF)
Hersteller: Yamaha
OEM Nummer: 950260607000
Dieser Artikel wurde durch folgenden ersetzt: 950270607000
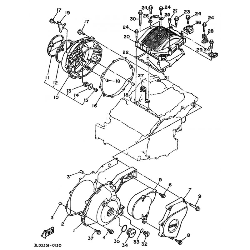
Hersteller: Yamaha
OEM Nummer: 950260607000
Dieser Artikel wurde durch folgenden ersetzt: 950270607000






















