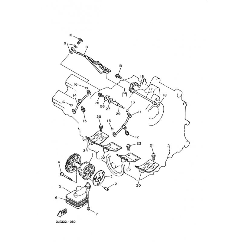
BOLT, FLANGE(1FN)
Artikelname: BOLT, FLANGE(1FN)
Hersteller: Yamaha
OEM Nummer: 950260603000
Dieser Artikel wurde durch folgenden ersetzt: 950270603000
Hersteller: Yamaha
OEM Nummer: 950260603000
Dieser Artikel wurde durch folgenden ersetzt: 950270603000





















