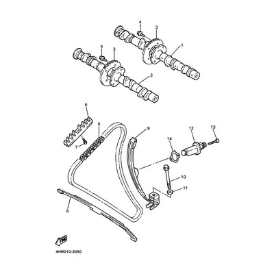
KETTE
Artikelname: KETTE
Hersteller: Yamaha
OEM Nummer: 948900414400
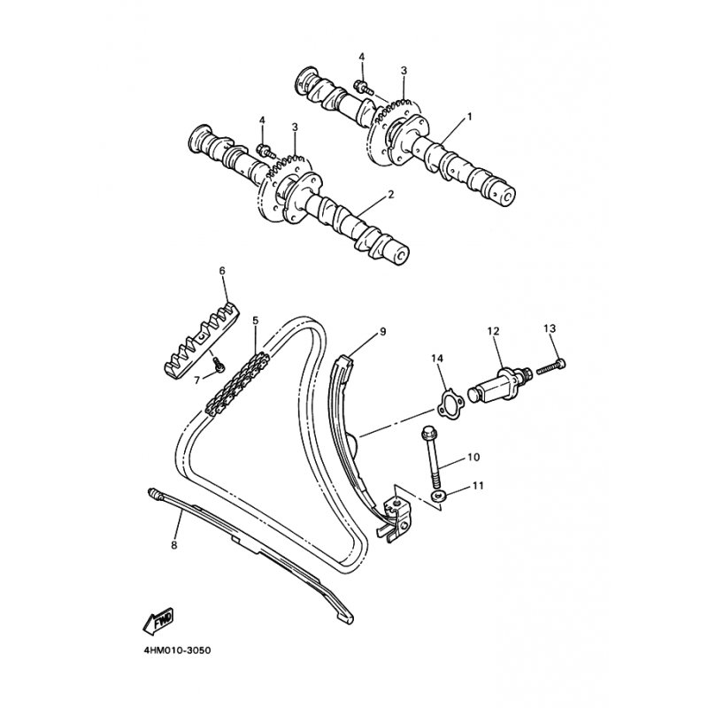
Hersteller: Yamaha
OEM Nummer: 948900414400




















