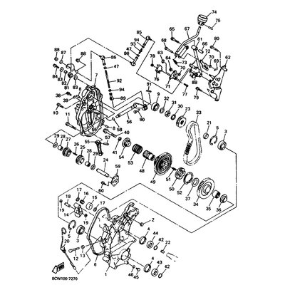
KETTE
Artikelname: KETTE
Hersteller: Yamaha
OEM Nummer: 948600207000
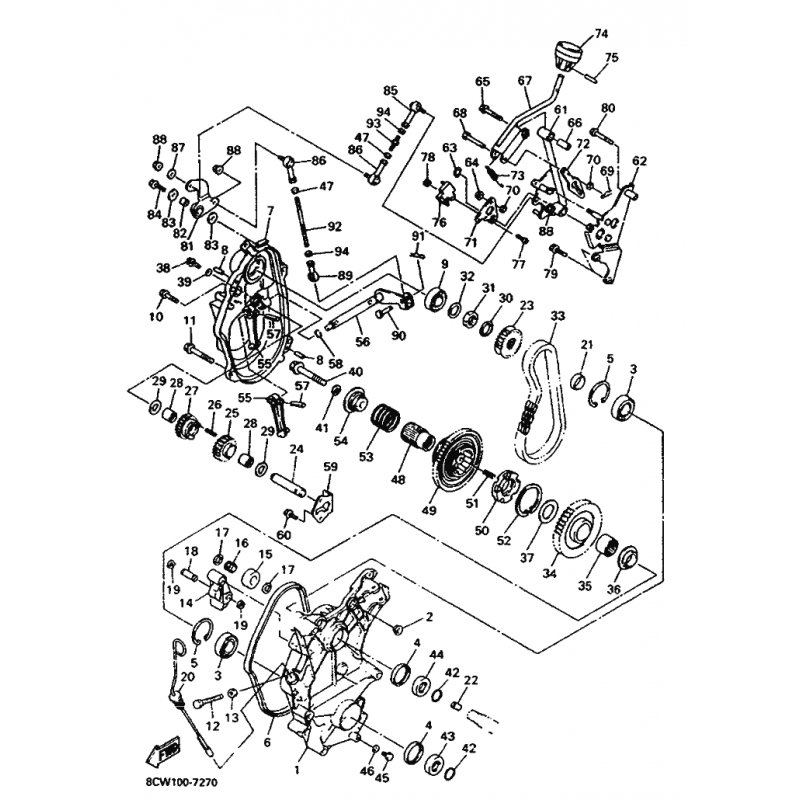
Hersteller: Yamaha
OEM Nummer: 948600207000




















