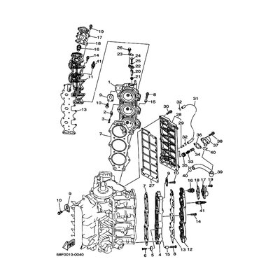
ZUNDKERZE
Artikelname: ZUNDKERZE
Hersteller: Yamaha
OEM Nummer: 947020039900
Dieser Artikel wurde durch folgenden ersetzt: 947020040400
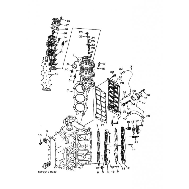
Hersteller: Yamaha
OEM Nummer: 947020039900
Dieser Artikel wurde durch folgenden ersetzt: 947020040400






















