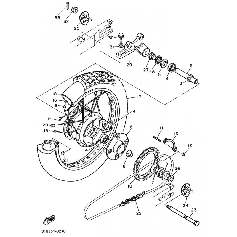
KETTE
Artikelname: KETTE
Hersteller: Yamaha
OEM Nummer: 945814510200
Dieser Artikel wurde durch folgenden ersetzt: 945815110200
Hersteller: Yamaha
OEM Nummer: 945814510200
Dieser Artikel wurde durch folgenden ersetzt: 945815110200




















