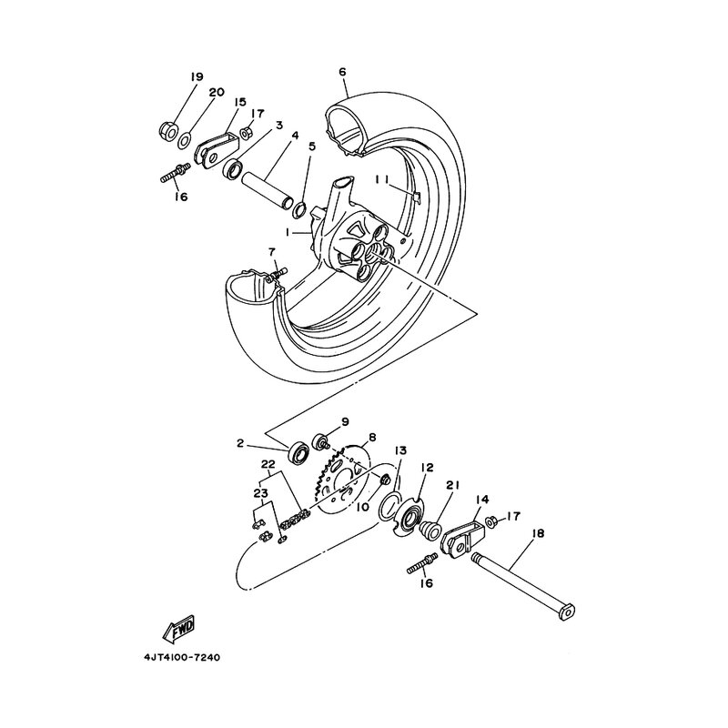
KETTE
Artikelname: KETTE
OEM: 94571-44118 [945714411800]
OEM: 94571-44118 [945714411800]






















