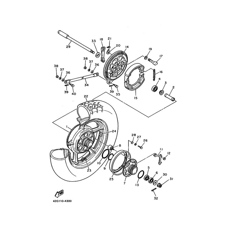
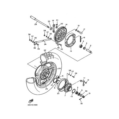
REIFEN
Artikelname: REIFEN
OEM: 94114-1504R [941141504R00]
OEM: 94114-1504R [941141504R00]




















