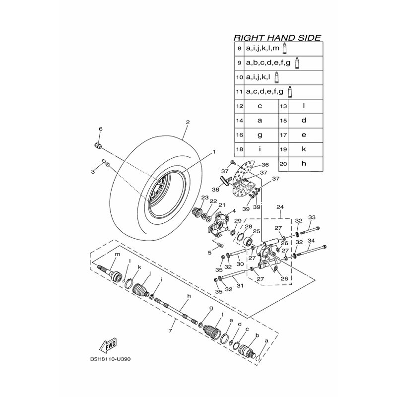
REIFEN
Artikelname: REIFEN
OEM: 94111-14808 [941111480800]
OEM: 94111-14808 [941111480800]






















