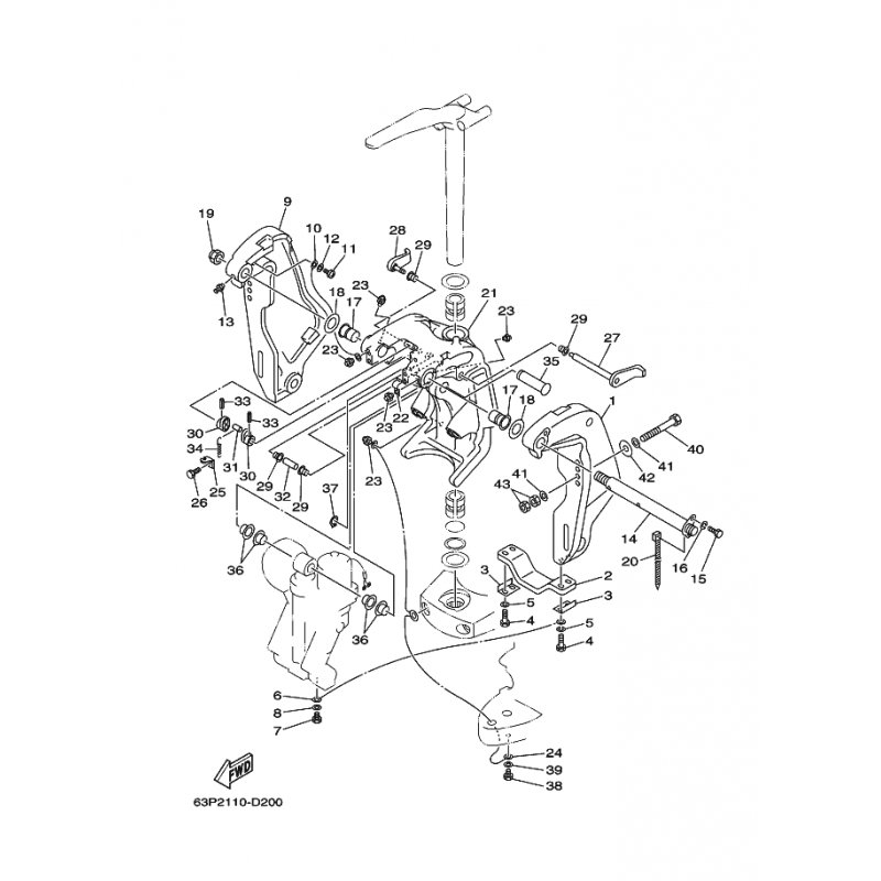
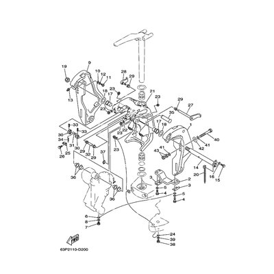
SPRENGRING
Artikelname: SPRENGRING
Hersteller: Yamaha
OEM Nummer: 9341022M1100
Hersteller: Yamaha
OEM Nummer: 9341022M1100






















