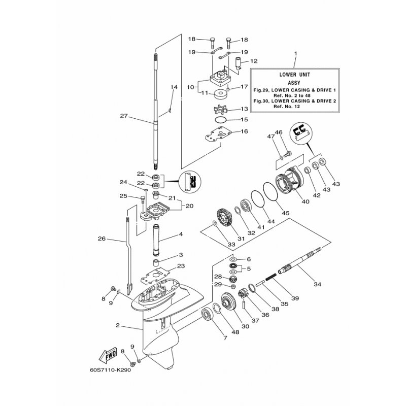
LAGER
Artikelname: LAGER
Hersteller: Yamaha
OEM Nummer: 93341414Y000
Dieser Artikel wurde durch folgenden ersetzt: 933414141600
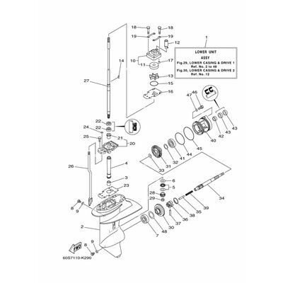
Hersteller: Yamaha
OEM Nummer: 93341414Y000
Dieser Artikel wurde durch folgenden ersetzt: 933414141600




















