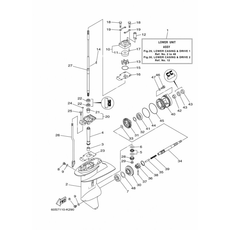
LAGER
Artikelname: LAGER
Hersteller: Yamaha
OEM Nummer: 93332000Y400
Dieser Artikel wurde durch folgenden ersetzt: 933320000500
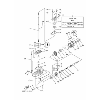
Hersteller: Yamaha
OEM Nummer: 93332000Y400
Dieser Artikel wurde durch folgenden ersetzt: 933320000500




















