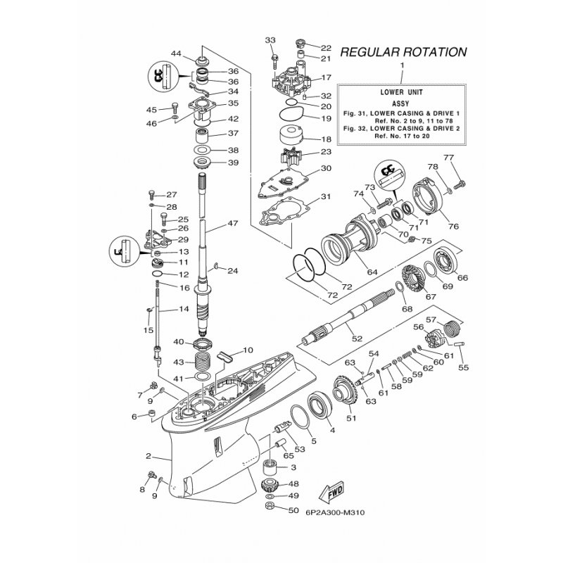
LAGER, ZYLINDRISCH
Artikelname: LAGER, ZYLINDRISCH
Hersteller: Yamaha
OEM Nummer: 933154306400
Hersteller: Yamaha
OEM Nummer: 933154306400




















