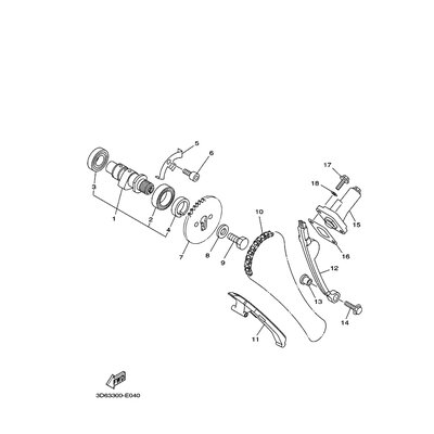
LAGER
Artikelname: LAGER
Hersteller: Yamaha
OEM Nummer: 93306002Y500
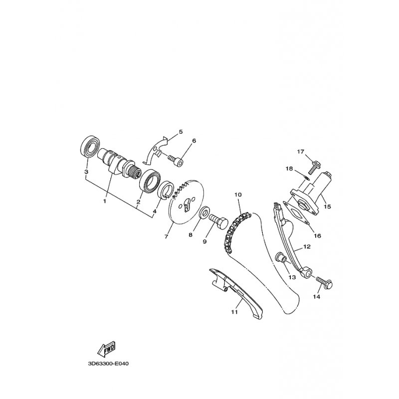
Hersteller: Yamaha
OEM Nummer: 93306002Y500




















