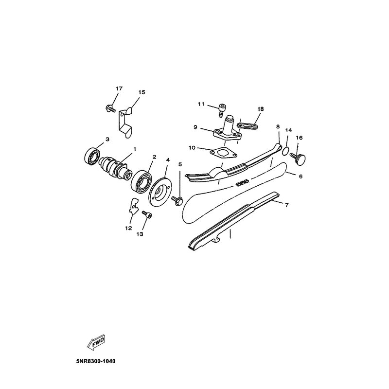
LAGER
Artikelname: LAGER
OEM: 93306-004YM [93306004YM00]
OEM: 93306-004YM [93306004YM00]






















