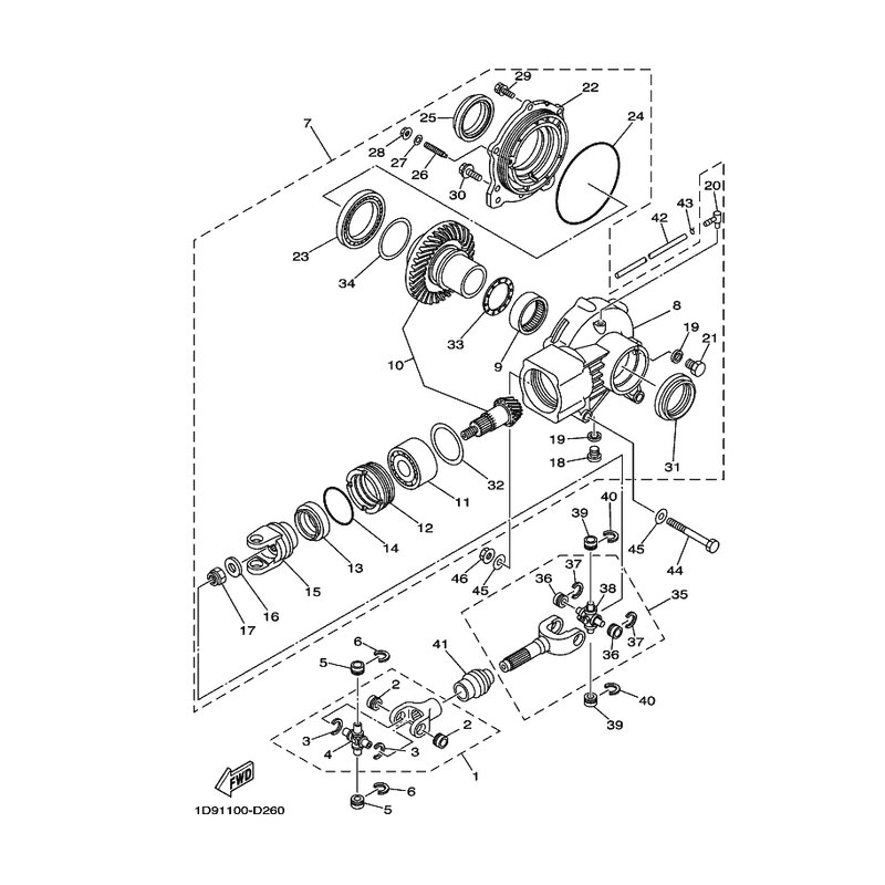
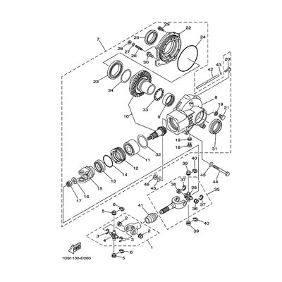
LAGER
Artikelname: LAGER
Hersteller: Yamaha
OEM Nummer: 93305005Y000
Hersteller: Yamaha
OEM Nummer: 93305005Y000




















