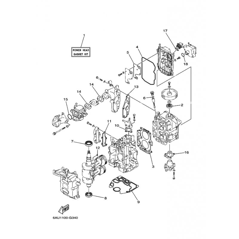
WELLENDICHTRING
Artikelname: WELLENDICHTRING
Hersteller: Yamaha
OEM Nummer: 9310230M2200
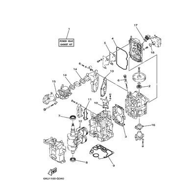
Hersteller: Yamaha
OEM Nummer: 9310230M2200






















