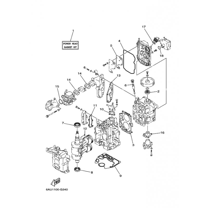
WELLENDICHTRING
Artikelname: WELLENDICHTRING
Hersteller: Yamaha
OEM Nummer: 9310218M2100
Hersteller: Yamaha
OEM Nummer: 9310218M2100






















