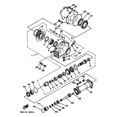
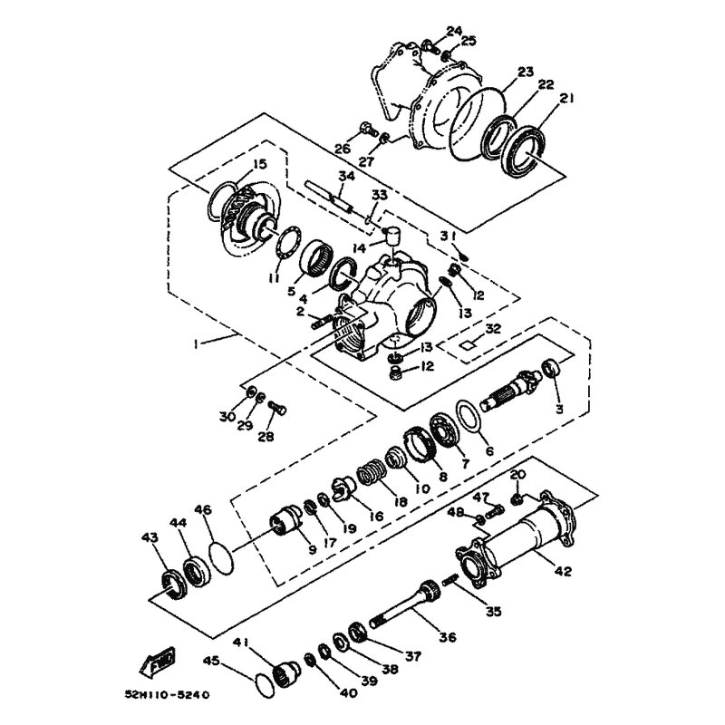
WELLENDICHTRING
Artikelname: WELLENDICHTRING
OEM: 93101-40129 [931014012900]
OEM: 93101-40129 [931014012900]






















