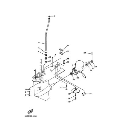
SCHEIBE
Artikelname: SCHEIBE
Hersteller: Yamaha
OEM Nummer: 929901620000
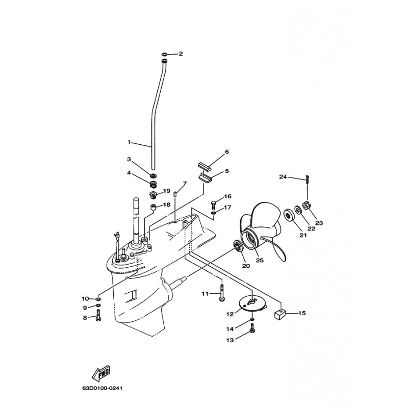
Hersteller: Yamaha
OEM Nummer: 929901620000






















