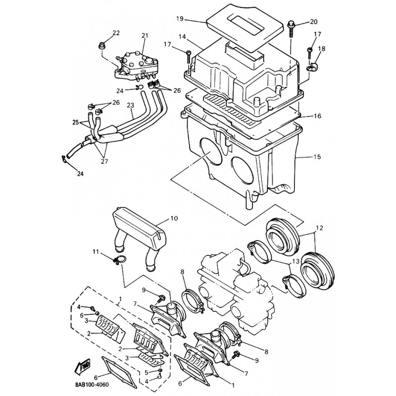
TUBE, FLEXIBLE VINYL(8AB)
Artikelname: TUBE, FLEXIBLE VINYL(8AB)
Hersteller: Yamaha
OEM Nummer: 91A200503000
Dieser Artikel wurde durch folgenden ersetzt: 91A200503900
Hersteller: Yamaha
OEM Nummer: 91A200503000
Dieser Artikel wurde durch folgenden ersetzt: 91A200503900






















