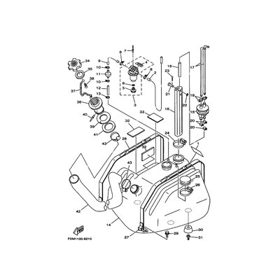
KLEMME, NYLON
Artikelname: KLEMME, NYLON
Hersteller: Yamaha
OEM Nummer: 90601155U400
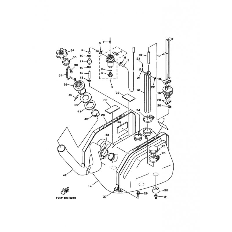
Hersteller: Yamaha
OEM Nummer: 90601155U400






















