ZUGFEDER
Artikelname: ZUGFEDER
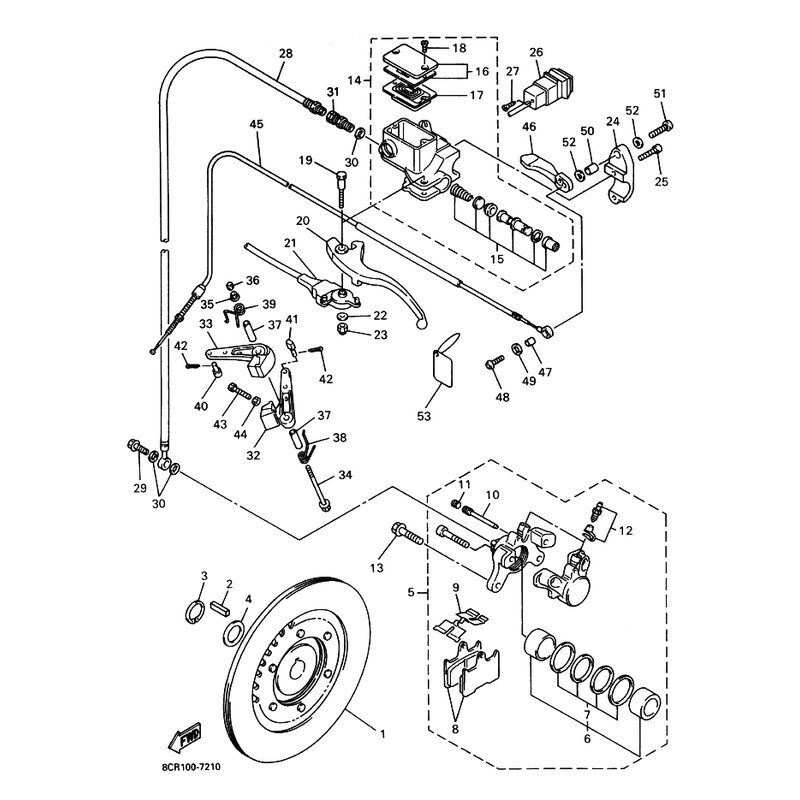
OEM: 90508-291B1 [90508291B100]
OEM: 90508-291B1 [90508291B100]






















