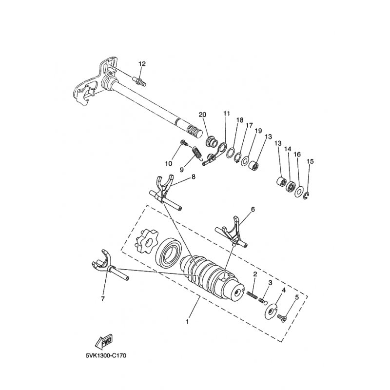
DRUCKFEDER
Artikelname: DRUCKFEDER
Hersteller: Yamaha
OEM Nummer: 9050106X0000
Hersteller: Yamaha
OEM Nummer: 9050106X0000






















