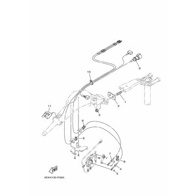
KLEMME
Artikelname: KLEMME
Hersteller: Yamaha
OEM Nummer: 904681000500
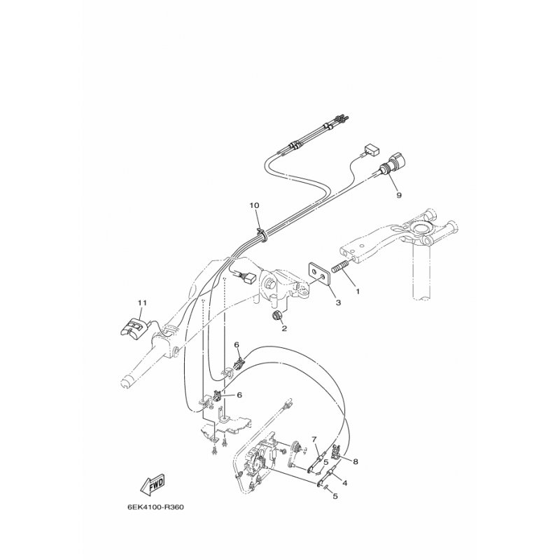
Hersteller: Yamaha
OEM Nummer: 904681000500




















