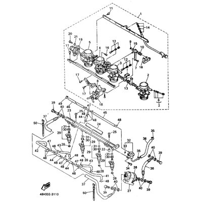
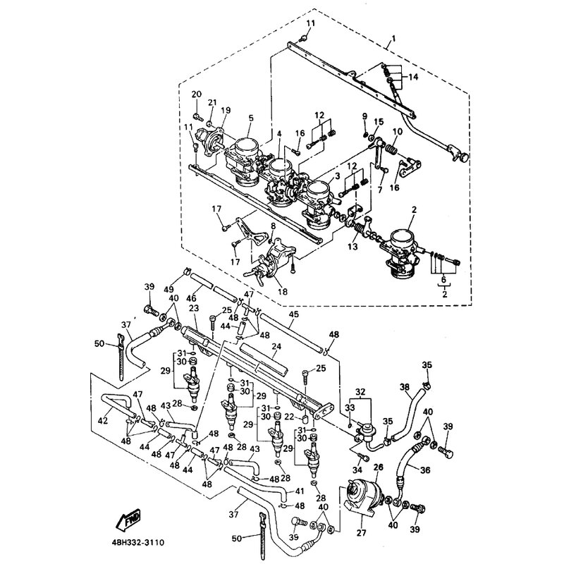
KLEMME
Artikelname: KLEMME
OEM: 90467-13114 [904671311400]
OEM: 90467-13114 [904671311400]




















