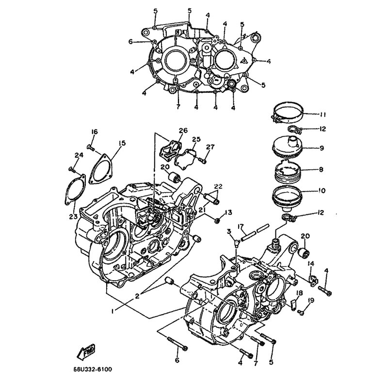
SCHELLE
Artikelname: SCHELLE
OEM: 90465-05075 [904650507500]
OEM: 90465-05075 [904650507500]




















