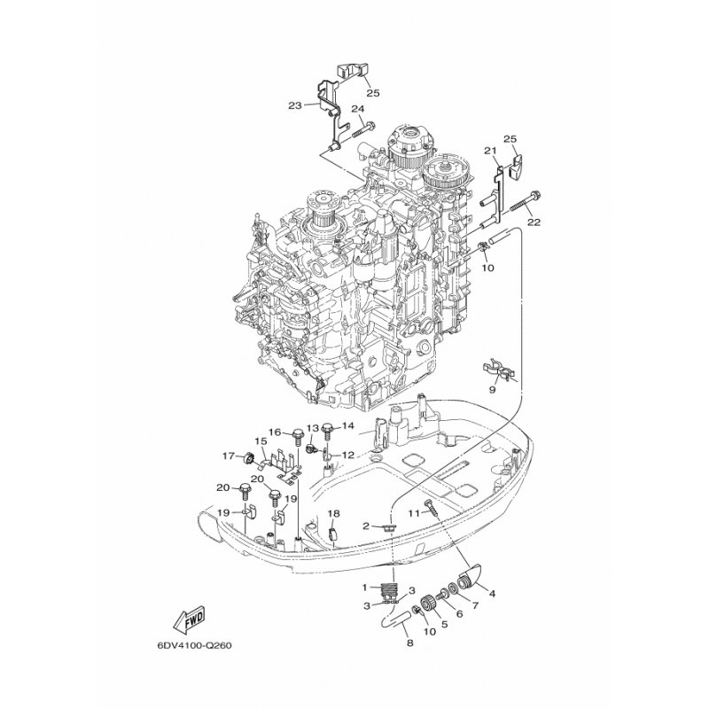
SCHELLE
Artikelname: SCHELLE
Hersteller: Yamaha
OEM Nummer: 904642125600
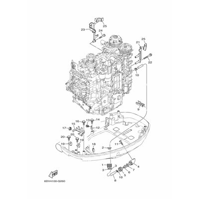
Hersteller: Yamaha
OEM Nummer: 904642125600






















