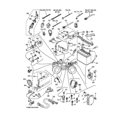
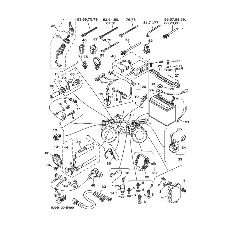
SCHELLE
Artikelname: SCHELLE
Hersteller: Yamaha
OEM Nummer: 904641981500
Hersteller: Yamaha
OEM Nummer: 904641981500





















