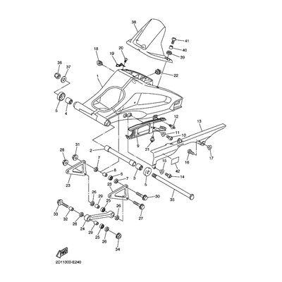
SCHELLE
Artikelname: SCHELLE
Hersteller: Yamaha
OEM Nummer: 904641700300
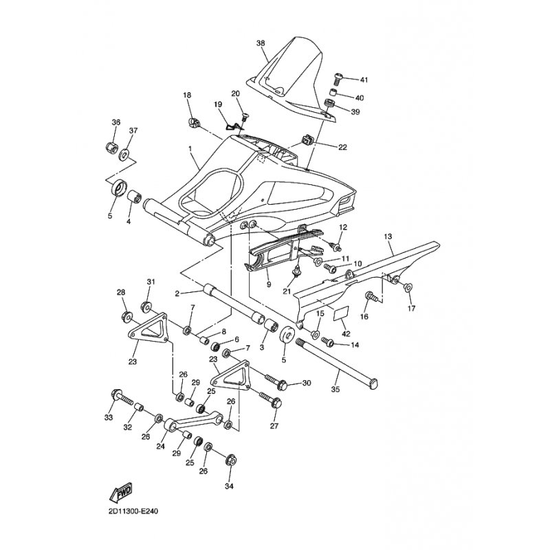
Hersteller: Yamaha
OEM Nummer: 904641700300






















