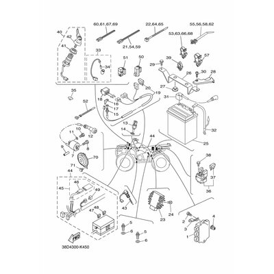
SCHELLE
Artikelname: SCHELLE
Hersteller: Yamaha
OEM Nummer: 904641283000
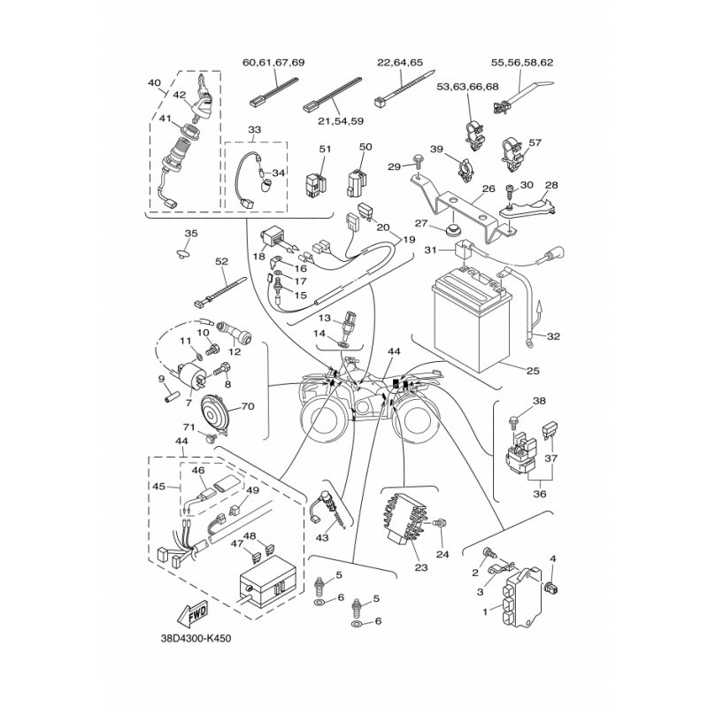
Hersteller: Yamaha
OEM Nummer: 904641283000






















