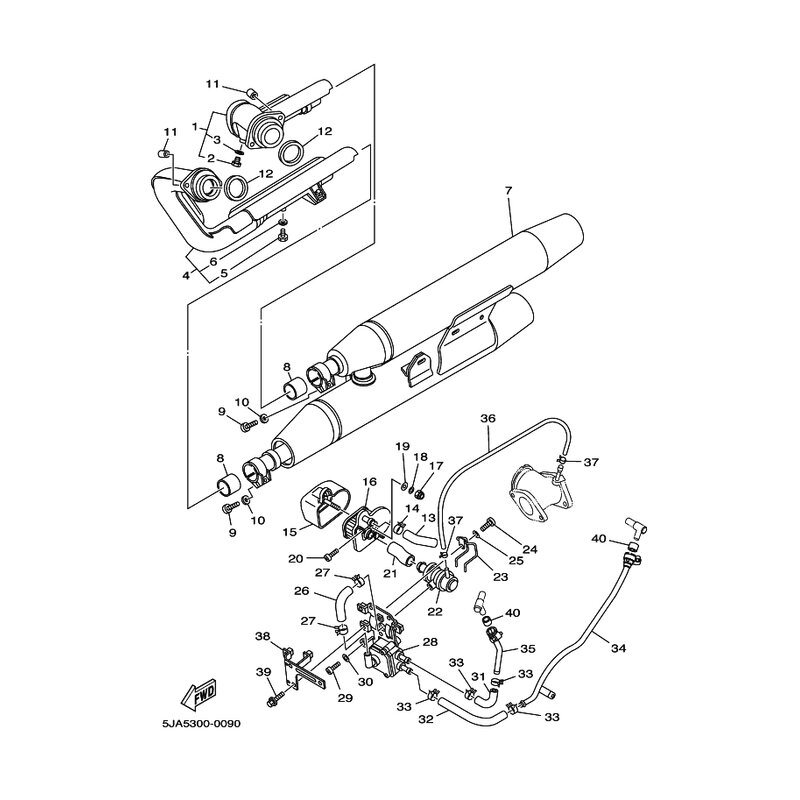
SCHELLE
Artikelname: SCHELLE
OEM: 90462-20248 [904622024800]
OEM: 90462-20248 [904622024800]




















