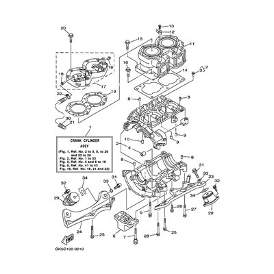
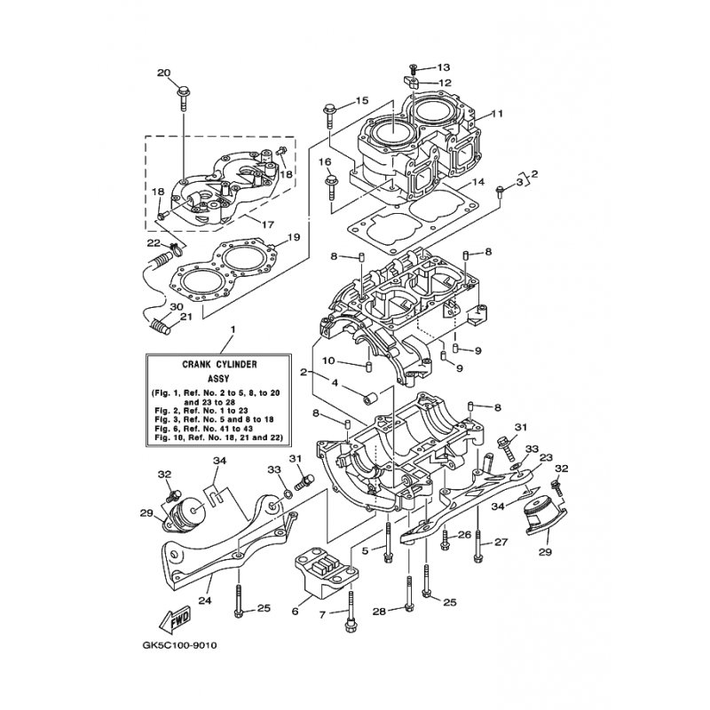
SCHLAUCH
Artikelname: SCHLAUCH
Hersteller: Yamaha
OEM Nummer: 9044620M5300
Hersteller: Yamaha
OEM Nummer: 9044620M5300






















