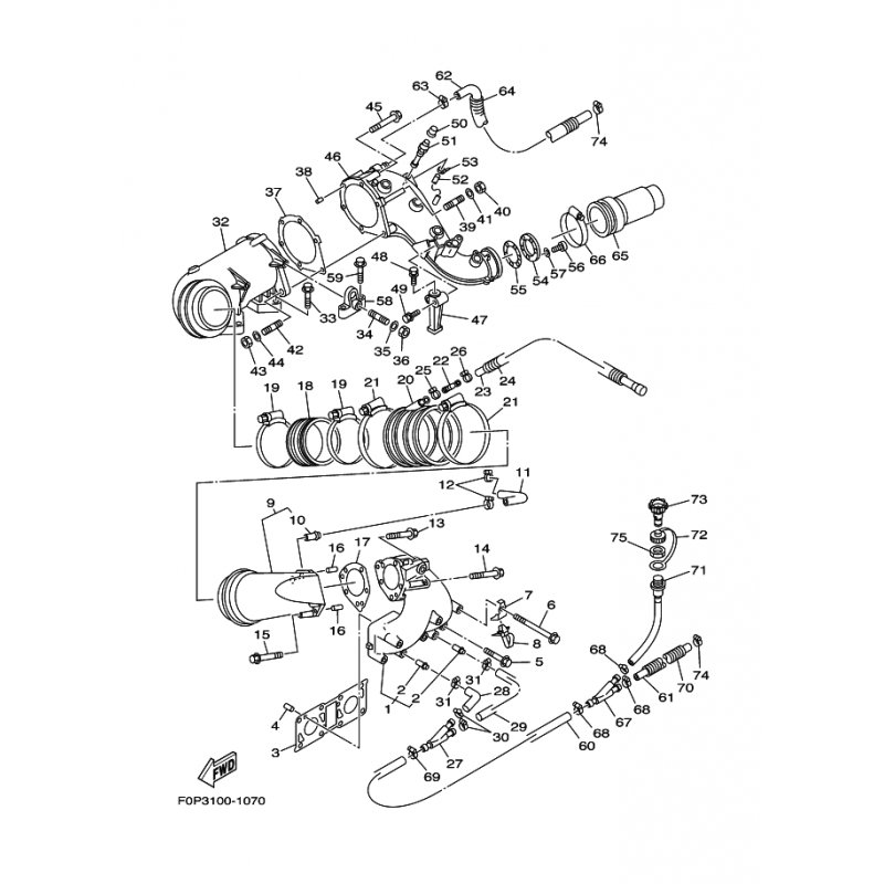
SCHLAUCH
Artikelname: SCHLAUCH
Hersteller: Yamaha
OEM Nummer: 9044518M1700
Hersteller: Yamaha
OEM Nummer: 9044518M1700






















