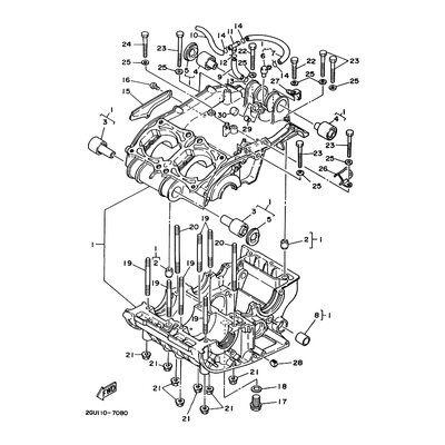
SCHLAUCH
Artikelname: SCHLAUCH
Hersteller: Yamaha
OEM Nummer: 90445081F100
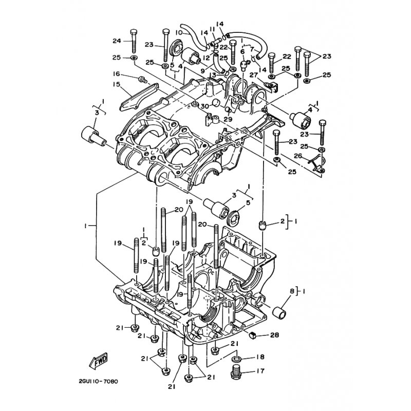
Hersteller: Yamaha
OEM Nummer: 90445081F100






















