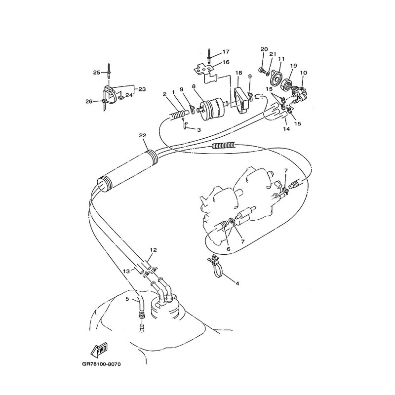
SCHLAUCH
Artikelname: SCHLAUCH
OEM: 90445-10MF3 [9044510MF300]
OEM: 90445-10MF3 [9044510MF300]






















