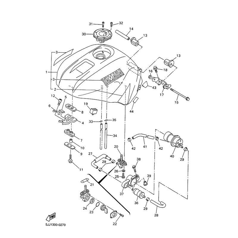
SCHLAUCH
Artikelname: SCHLAUCH
OEM: 90445-10015 [904451001500]
OEM: 90445-10015 [904451001500]






















