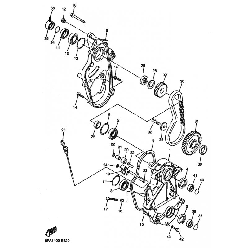
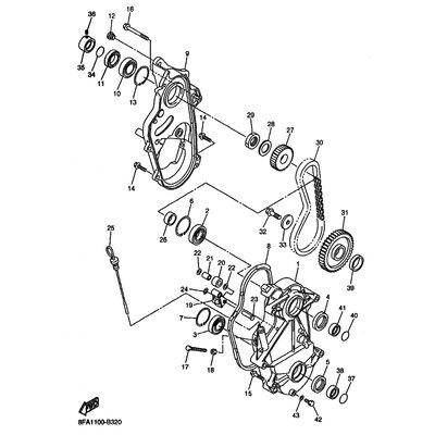
HULSE
Artikelname: HULSE
Hersteller: Yamaha
OEM Nummer: 903873000400
Hersteller: Yamaha
OEM Nummer: 903873000400




















