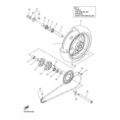
HULSE
Artikelname: HULSE
Hersteller: Yamaha
OEM Nummer: 903872801900
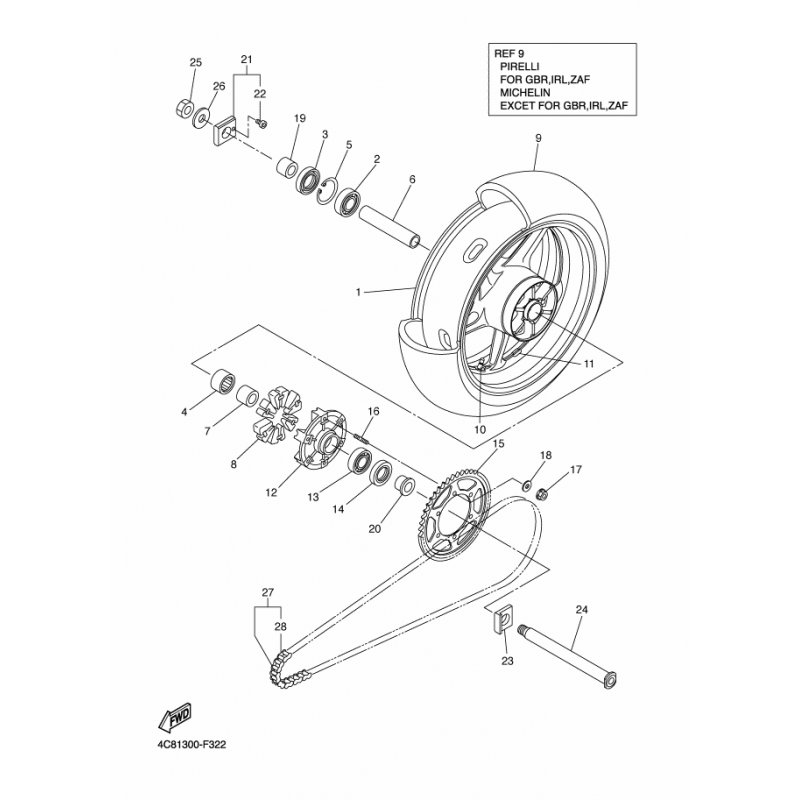
Hersteller: Yamaha
OEM Nummer: 903872801900




















