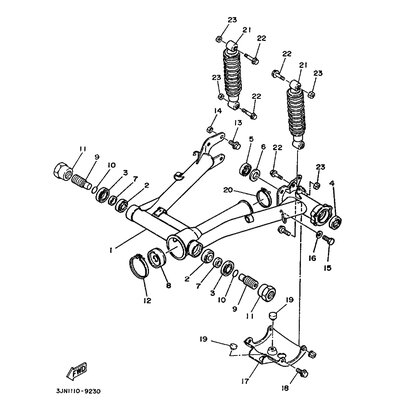
HULSE
Artikelname: HULSE
Hersteller: Yamaha
OEM Nummer: 90387255V200
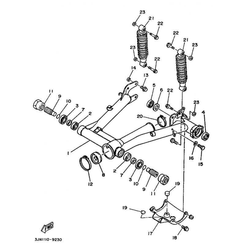
Hersteller: Yamaha
OEM Nummer: 90387255V200






















