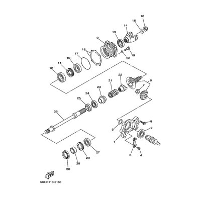
HULSE
Artikelname: HULSE
Hersteller: Yamaha
OEM Nummer: 90387252R200
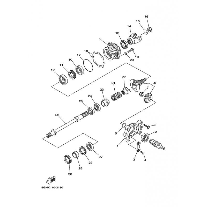
Hersteller: Yamaha
OEM Nummer: 90387252R200




















