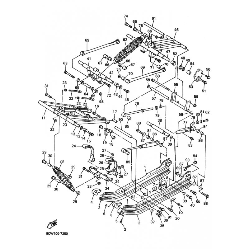
HULSE
Artikelname: HULSE
Hersteller: Yamaha
OEM Nummer: 903872510A00
Hersteller: Yamaha
OEM Nummer: 903872510A00






















