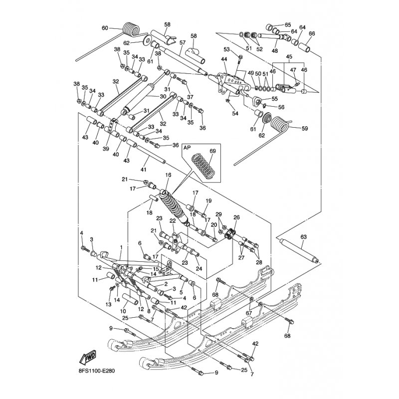
HULSE
Artikelname: HULSE
Hersteller: Yamaha
OEM Nummer: 903872002000
Hersteller: Yamaha
OEM Nummer: 903872002000




















